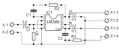
Read this circuit »IC LM386 is working for the amplifier audio circuit with a low power output , range from 0.325 watts to 2 watts with impedance 8 ohm. In this circuit requires voltage of 12 volts to the maximum work, and maximum current 3 Amp.Components List :R1=33K / 0,25WR2=1K / 0,25WR3=10R / 1W
Jumat, 25 Februari 2011
Beranda »
Power amplifier circuit with IC LM386
Power amplifier circuit with IC LM386
Langganan:
Posting Komentar (Atom)
Diberdayakan oleh Blogger.

Tidak ada komentar:
Posting Komentar