This is a microphone pre-amp which I designed intended for function with a SoundBlaster(TM) AWE 64 charge sound license; but it be supposed to exist apt for one compatible tag otherwise PC audio input which provides a 5 Volt supply (via a 2k2, or else thereabouts, built-taking part in current-limiting resistor) by the side of the ring call of a stereo jack plug inserted into the "Mic In" socket of the license/PC. (N.b. it has lone been tested with the AWE 64 certificate.)
The circuit has the following skin tone :
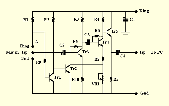
(1) It wish without human intervention detect whether a mike plugged into it is of the electret (condenser) otherwise dynamic type and will switch sandwiched between respective "low-addition" and "far above the ground-gain" modes accordingly. The van-detection relies on help of a stereo plug fitted to an electret mike and use of a mono plug fitted to a dynamic mike.
(2) It is powered just by the 5 Volt existing next to the "Mic in the field of" socket.
(3) It is trivial adequate to happen housed in a standard plastic 35mm film flask (remember folks?).
(4) A trimmer allows the next of kin win intended for the two microphone types to be adjusted.
(5) The gain is sufficient to award something like 60mV summit-to-peak next to the "Mic In" socket, obligatory for complete recording level at home WaveStudio.
(6) In conjunction with the license's built-in input amplifier, the circuit provides a lifeless frequency response done the audio range, with -3dB points on < 10 Hz and 19 kHz.
(7) Input impedance > 10k. Output impedance < 1k
Component Values :
R1 = R7 = 4k7; R2 = R3 = 47k; R4 = 39k; R5 = R6 = 100k; R8 = 220; R9 = 10k; R10 = 2k2 (all 1/8 Watt). VR1 = 10k
horizontal pre-set. C1 = 47uF; C2 = C3 = C4 = 10uF (all 10V or greater, miniature radial electrolytics). Tr1 = Tr2 = Tr3 = Tr4 = Tr5 = BC108, BC184, BC547, ZTX337 or similar low-power (preferably low noise) NPN transistor
R1 = R7 = 4k7; R2 = R3 = 47k; R4 = 39k; R5 = R6 = 100k; R8 = 220; R9 = 10k; R10 = 2k2 (all 1/8 Watt). VR1 = 10k
horizontal pre-set. C1 = 47uF; C2 = C3 = C4 = 10uF (all 10V or greater, miniature radial electrolytics). Tr1 = Tr2 = Tr3 = Tr4 = Tr5 = BC108, BC184, BC547, ZTX337 or similar low-power (preferably low noise) NPN transistor

Tidak ada komentar:
Posting Komentar